产品中心
product center
符合标准:IEC 60934、IEC 60947-2、GB 17701、GB14048.2、UL1077、UL489、UL489A
额定工作电压:DC80V、DC125V、AC120/240V、AC240/415V、AC277/480V(50/60Hz)
机械电气寿命:10000次(其中电气寿命6000次),UL489A电气寿命1000次
产品认证:CCC、UL、TUV、CE
接线能力:0.5~25mm²,两极并联:35 mm²及以下,三极并联:70 mm²及以下
辅助开关参数:DC125V 1A, AC250V 5A
| 额定电压(V) | 额定电流(A) | 极 | 分断能力(kA) | ||||
| UL | CCC/TUV/CE | ||||||
| UL1077 | UL489 | UL489A | Icu | Ics | |||
| DC80 | 0.5-63 | 1,2(串联) | 10U2 | 10 | 10 | 10 | 5 |
| 15~100 | 2(并联) | 10U2 | 10 | 10 | 5 | ||
| 50~150 | 3(并联) | 10 U2 | 10 | 10 | 5 | ||
| DC125 | 0.5~63 | 2(串联) | 5 U2 | 10 | |||
| DC250 | 0.5~15 | 3(串联) | 5 U2 | 5 | |||
| AC120/240 | 0.5~25 | 1,2,3 | 5 U2 | 5 | |||
| AC240/415 | 0.5~50 | 1,2,3,1N,3N | 6 | 3 | |||
| AC277/480 | 0.5~25 | 1,2,3,1+N, | 5 C1,1U1 | ||||
3、正常工作环境
3.1周围空气温度的上限值不超过+85℃,下限值不低于-40℃。
3.2安装地点的海拔高度不超过2000m。
3.3空气是清洁的,并且在温度+40℃及以上时,空气的相对湿度不超过50%,在较低温度下可允许较大的相对湿度,例如在+20℃时为90%。
3.4在无爆炸危险的介质中,且介质无足以腐蚀金属和破坏绝缘的气体与导电尘埃的地方;在没有雨雪侵袭的地方。
3.5安装地点的环境污染等级为2级。
3.6安装类别为Ⅱ。
4、 特性曲线
4.1 脱扣时间表
| Current | 1.05In | 1.3 In | 1.5 In | 2 In | 3 In | 4 In | 6 In | 10 In |
| Curve | ||||||||
| DI/AI | 不脱扣 | 0.003-0.2 | 0.003-0.06 | 0.003-0.025 | 0.003-0.02 | 0.003-0.02 | 0.003-0.02 | 0.003-0.02 |
| DS/AS | 不脱扣 | 8-240 | 5-50 | ###### | 0.09-4 | 0.006-1.8 | 0.003-0.03 | 0.003-0.2 |
| YS/LS | 不脱扣 | 11-300 | 8-65 | ###### | 1.2-8 | 0.6-3.5 | 0.1-1.1 | 0.004-0.3 |
| DM/YM | 不脱扣 | 12-240 | 10-65 | 4.5-20 | 1.2-7 | 0.6-3 | 0.01-1 | 0.003-0.1 |
| AM/LM | 不脱扣 | 20-600 | 15-120 | 7-40 | 2.5-12 | 1月6日 | 0.01-1.8 | 0.003-0.09 |
| DL/AL | 不脱扣 | 60-1500 | 45-420 | 20-90 | 8-40 | 3.8-20 | 1月7日 | 0.005-2 |
| LL/YL | 不脱扣 | 60-1500 | 40-360 | 20-90 | 6-35 | 3.5-18 | 1.2-7 | 0.1-2 |
注:1) 脱扣时间单位均为s;
2) 标准规定,以上脱扣时间均在产品冷态下进行试验所得。
4.2 脱扣曲线图

5、规格型号说明
| 序号 | 系列 | BD |
| 1 | 产品代号 | B:液压电磁断路器 |
| 2 | 系列代号 | D:壳架等级63 |
| 3 | 脱口曲线代号 | DI:直流瞬时 DS:直流短延时 DM:直流中延时 DL:直流长延时 |
| AI:交流瞬时 AS:交流短延时 AM:交流中延时 AL:交流长延时 | ||
| YS:直流短延时,高涌流 YM:直流中延时,高涌流 YL:直流长延时,高涌流 | ||
| LS:交流短延时,高涌流 LM:交流中延时,高涌流 LL:交流长延时,高涌流 | ||
| 4 | 额定电流(A) | 0.5~150A |
| 5 | 极数 | 1– 1极(1P 或1N); 2 – 2极(2P 或 2U); 3– 3极(3P 或 2N 或3U) |
| 6 | 极类型 | P: 不带中性极(1P 或 2P 或 3P), |
| N: 带中性极(1N 或3N), | ||
| U: 带有并联片(2U 或 3U) | ||
| 7 | 附件代号 | 0-无附件,A:辅助开关,T:报警开关; B:辅助开关+报警开关; L:Residential/commercial |
| 8 | 操作面尺寸 | D:57mm高; M:57mm 高,下方凸出; |
| E:45mm高; N:45mm高,下方凸出; | ||
| 9 | 认证代码 | C :CCC、TUV、CE; E :CCC、 UL1077、CSA、TUV、CE; |
| T : CCC、 UL489A、 CSA、TUV、CE ; J: CCC、 UL489、 CSA、TUV、CE; | ||
| 10 | 特殊代码 | XXXXX 5位数字或字母,表示不同客户或有特殊需求,使用客户代码时,可以省略第七项后面的内容。 |
注:1)单极最大额定电流63A;
2)3极及3极+N极产品仅有交流,
3)直流两极并联最大到100A,3极并联最大到150A。交流无并联产品。
4)表中所列型号为常规型号,该产品可以按照用户的要求变更脱扣曲线、电流规格等,变更后的型号为特供型号,不在上表所列范围内。
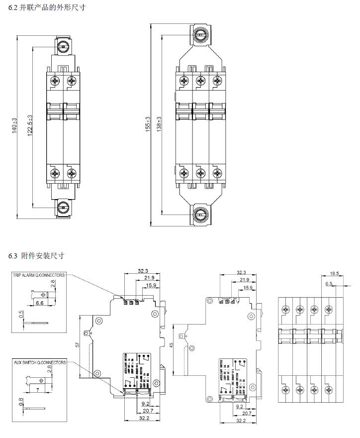
6、 产品外形及安装尺寸
6.1 外形尺寸
6.1操作面高度57mm (D)的产品的外形与安装尺寸



7、包装储存
包装成箱的产品,在贮存中应防止受到雨雪的侵袭,并应存放在空气流通和相对湿度不大于80%,温度不高于+85℃,不低于-40℃的仓库中。周围空气中无酸性,碱性或其它腐蚀性气体的库房里贮存。在上述条件下,贮存期自生产日期不超过3年。
8、注意事项
8.1因私自拆开产品而引起的质量问题,责任自负;
8.2在工作通电状态下,手请勿触及断路器非绝缘件裸露部分;
8.3接线必须可靠,防止因接线端出现异常发热引起断路器误动作或造成接线端烧损;
8.4产品接线时,产品本体的螺钉扭紧力矩为2N.m。多极并联产品接线板上的螺钉扭力矩为3.5N.m;
8.5在产品安装时,请在产品喷弧口(LOAD侧)方向保持30mm以上的距离,以免电弧喷出后造成短路。